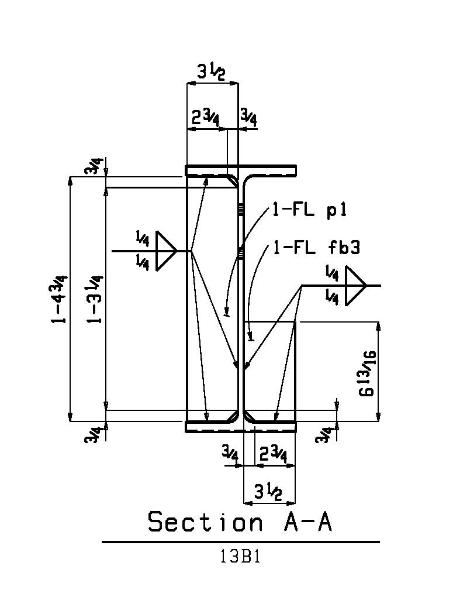
SDS/2 2D Drafting Screen
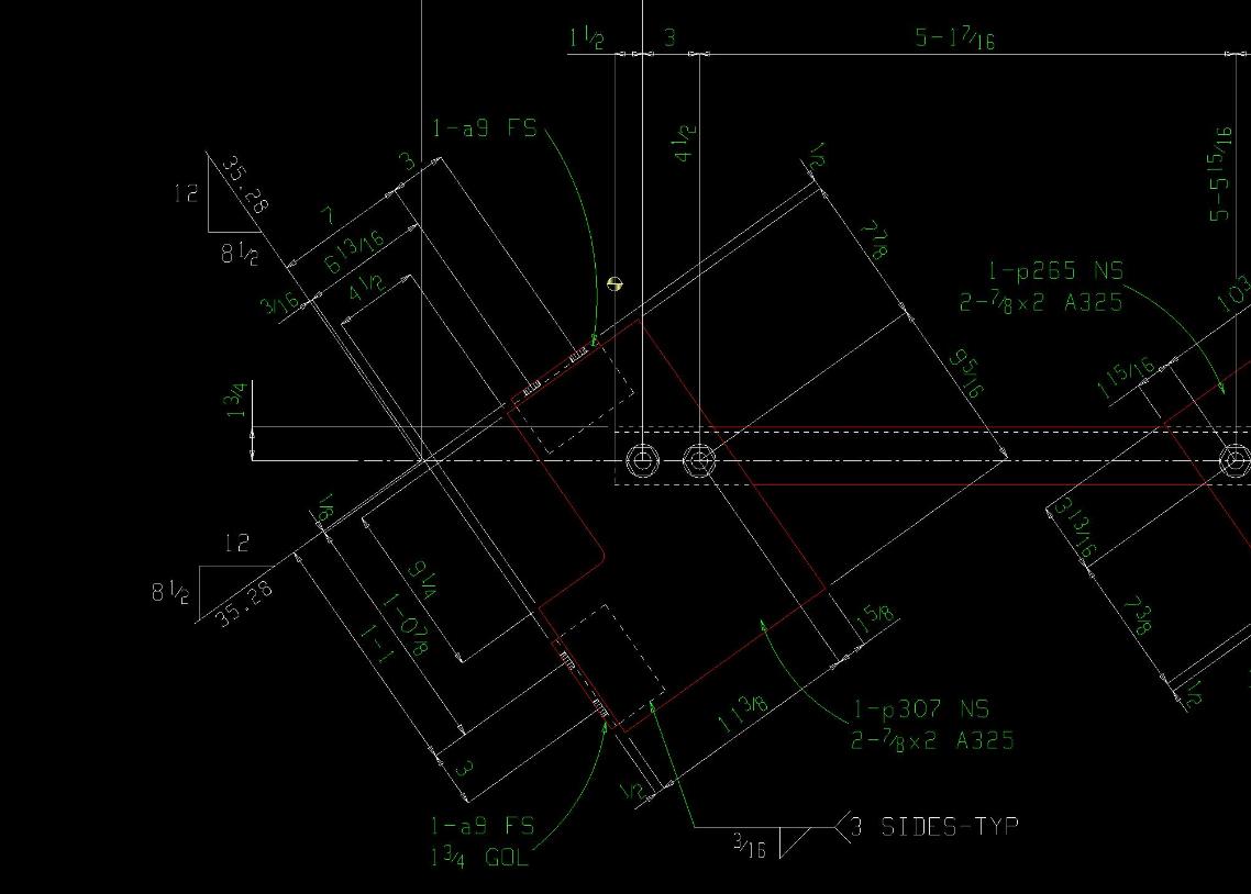
Shots & PDF Examples